



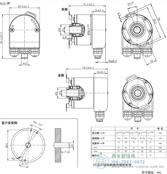
| 外径 | 58mm |
| 轴径 | 6 mm / 8 mm / 9.52 mm (3/8 英寸) / 10 mm / 12 mm (实心 轴) 9.52 mm (3/8 英寸) / 10 mm / 12 mm / 12.7 mm (1/2 英寸) / 14 mm (轴套) 其它尺寸应要求可以提供。 |
| 法兰安装 | 同步法兰,夹紧法兰,方形法兰,弹片安装 |
|
轴端防护等级 (EN 60529) |
IP64 或 IP67 |
| 外壳防护等级(EN 60529) | IP65 和 IP67 |
| 轴载荷 轴向 / 径向 | 40 N / 80 N |
| 匹配轴允许轴向跳动 (盲孔轴) | ±1.5mm |
| 匹配轴允许径向轴跳(盲孔轴) | ±0.2 mm |
| 最高转速 |
最高 10,000 U/min (连续) 最高 12,000 U/min (短时) |
| 启动转矩1 | ≤ 0.05 Nm (可按照要求进行定制) |
| 惯量 | 约 3.8 x 10-6 kgm2 |
|
震动 (DIN EN 60068-2-6) |
300 m/s² (10 - 2000 Hz) |
|
冲击 (DIN EN 60068-2-27) |
4000m/s²(6ms) |
| 运行环境温度 | -40°C ... +85°C |
| 存储温度 | -40°C ... +85°C |
| 轴材质 | 不锈钢 |
| 外壳材质 | 铝 (不锈钢版本型号为AC61 EtherCAT) |
| 重量 | 大约 420 g (单圈) / 450 g (多圈) |
| 连接 | 总线罩壳带3x M12 连接器 |
| 整体设计 | 根据 DIN EN 61010-1, 防护等级 III, 污染等级 2, 过电压等级 II |
| 供电电压 | DC 7 - 30 V |
| 无负载电流(典型) | 24V: 85 mA (单圈) max; 200 mA (多圈) |
| 单圈分辨率 | 10 - 22 Bit |
| 多圈分辨率 | 12 Bit (整体分辨率最高34 bits) |
| 数据输出格式 | 二进制 |
| 协议类型 | EtherCAT CoE, FoE |
| 线性度 | ±½ LSB 最大到14位 |
| 绝对定位精度 (典型值.) | ±35" |
| 重复定位精度 (典型值.) | ±10" |
| 设备数据 | 位置,速度,加速度,诊断信息,报警 |
| 设备配置 | 分辨率、总测量范围、预置值、偏置值、方向、 位置限制值、比例缩放、残值功能、速度限制、 温度限制 |
| 数值更新的循环时间 | 62,5微秒 |
| 针脚 | 总线输入端口 | 电源 | 总线输出端口 |
|---|---|---|---|
| 1 | TxD+ | UB in | TxD+ |
| 2 | RxD+ | N.C | RxD+ |
| 3 | TxD- | 0 V in | TxD- |
| 4 | RxD- | N.C. | RxD- |
| A 屏蔽 | 屏蔽1 | 屏蔽1 | 屏蔽1 |



| 型号 | 分辨率 | 供电电压 | 法兰、防护等级、轴径 | 通信界面 | 连接方式 |
|---|---|---|---|---|---|
| □ | /□ | □ | □ | □ | □ |
| AC58 |
0010 10 位单圈 0012 12 位单圈 0013 13 位单圈 0014 14 位单圈 0016 16 位单圈 0017 17 位单圈 0018 18 位单圈 0019 19 位单圈 0020 20 位单圈 0022 22 位单圈 1212 12 位单圈 + 12 位单圈 1213 12 位单圈 + 13 位单圈 1214 12 位单圈 + 14 位单圈 1216 12 位单圈 + 16 位单圈 1217 12 位单圈 + 17 位单圈 1218 12 位单圈 + 18 位单圈 1219 12 位单圈 + 19 位单圈 1220 12 位单圈 + 20 位单圈 应要求可提供其它分辨率 |
E DC 7 - 30V |
S.41 同步法兰, IP651 , 6 mm S.71 同步法兰, IP67, 6 mm K.42 夹紧法兰, IP651 , 10 mm K.46 夹紧法兰, IP651 , 9.52 mm K.47 夹紧法兰, IP651 , 12 mm K.4C 夹紧法兰, IP651 , 8 mm K.72 夹紧法兰, IP67, 10 mm K.76 夹紧法兰, IP67, 9.52 mm K.77 夹紧法兰, IP67, 12 mm K.7C 夹紧法兰, IP67, 8 mm F.42 弹簧片, IP651 , 轴套 10 mm, 前夹紧环安装 F.46 弹簧片, IP65 1 , 轴套 9,52 mm, 前夹紧环安装 F.47 弹簧片, IP651 , 轴套 12 mm, 前夹紧环安装 F.4E 弹簧片, IP65 1 , 轴套, 12.7 mm, 前夹紧环安装 F.49 弹簧片, IP651 , 轴套, 14 mm, 前夹紧环安装 F.77 弹簧片, IP67, 轴套, 12 mm, 前夹紧环安装 Q.42 方形法兰, IP651 , 10 mm Q.46 方形法兰, IP651 , 9.52 mm Q.72 方形法兰, IP67, 10 mm Q.76 方形法兰, IP67, 9.52 mm |
EC EtherCAT | R 总线罩壳 3x M12 连接器 |

| 附件 | 孔径 d1/d2 | 订购代码 |
|---|---|---|
| 波纹管联轴器 | 6 mm / 6 mm | 3 520 068 |
| 波纹管联轴器 | 8 mm / 10 mm | 3 520 077 |
| 波纹管联轴器 | 10 mm / 10 mm | 3 520 037 |
| 盘式联轴器 | 6 mm / 6 mm | 0 070 663 |
| 绝缘盘式联轴器 | 6 mm / 6 mm | 3 520 081 |
| 绝缘盘式联轴器 | 6 mm / 10 mm | 3 520 082 |
| 绝缘盘式联轴器 | 10 mm / 10 mm | 3 520 088 |
| 螺旋式联轴器 19/28 | 5 mm / 6 mm | 3 520 035 |
| 螺旋式联轴器19/28 | 6 mm / 6 mm | 0 070 653 |
| 螺旋式联轴器 25/32 | 6 mm / 9.53 mm | 3 520 052 |
| 螺旋式联轴器 25/32 | 6 mm / 10 mm | 3 520 066 |
| 螺旋式联轴器 25/32 | 10 mm / 10 mm | 3 520 074 |
| 螺旋式联轴器 25/32 | 10 mm / 12 mm | 3 520 065 |
| 附件 | 订购代码 |
|---|---|
| 用于M4的夹紧偏心 (一套3个) | 1 522 300 |
| 直角安装支架 (塑料), 用于 RI 58和 AC 58的夹紧法兰 (包含固定材料) | 1 522 329 |
| 用于轴套的弹簧片 | 1 531 188 |
| 安装罩 (塑料), 用于 RI 58和AC 58 ( 包括夹紧偏心和固定材料) | 1 522 330 |
| 方形法兰适配器 58 x 58 mm, 用于 RI 58和 AC 58 的夹紧法兰 (包含固定材料) | 1 522 326 |
| 方形法兰适配器 80 x 80 mm, 用于 RI 58和AC 58 的夹紧法兰 (包含固定材料) | 1 522 327 |
| 同步法兰适配器 , 用于 RI 58和AC 58 的夹紧法兰 (包含固定材料) | 1 522 328 |
| 用于 M3的同步法兰夹紧偏心d6.5 (一套3个) | 0 070 655 |

在线QQ
186-2947-6872
在线咨询
扫描二维码
添加客服微信号
info@304bxgshuixiang.com
