RI64光电增量轻载编码器
空心轴和轴套设计,通孔轴和轴套型轴径可达16 mm
坚固的设计
抗冲击、振动性能高
绝缘轴套 - 防止从大功率电机轴传导过来的轴电流
脉冲数可达4096ppr
工作温度:-40~+100℃
防护等级IP67,16mm也适用
应用:异步电机反馈,工业应用,冶金纺织,工程机械,港口机械,印刷,包装,纺织。
脉冲数:1000/1024/2000/2048/4096
RI64光电增量轻载编码器产品规格
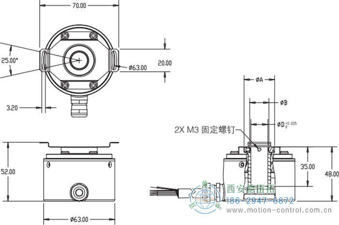
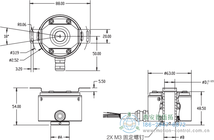
外径:63mm
轴径或孔径:10mm / 12mm / 14mm / 15mm / 16mm
脉冲数或分辨率:1000~4096
防护等级:IP64/IP67
最高转速:6,000 RPM(通孔); 12,000 RPM(轴套)
RI64光电增量轻载编码器机械特性
轴径:10,12,14,15,16mm
最大机械转速:6000 RPM(空心轴),12000 RPM(轴套型)
RI64光电增量轻载编码器电气特性
电源电压:DC 5V±10% 或 DC 5-26V
RI64光电增量轻载编码器环境特性
防护等级: IP64/IP67
工作温度:-40℃- +100℃
存储温度:-40℃- +100℃
全球编码器行业的著名品牌,丹纳赫Hengstler公司(亨士乐)推出新一代增量型编码器RI64。相对于传统编码器,RI64在光电模块,轴承装配,简化 PCB,密封外壳和不破碎码盘等方面采用一系列革命性技术,减少了器件构成,从而大幅降低了故障率,使其成为工业电机空心轴编码器的优秀解决方案。
RI64采用高分辨率的不破碎码盘 (聚酯薄膜) ,提高坚固性和可靠性;大空气间隙,允许更大的轴向窜动,码盘和掩膜距离是正常值4倍,即使在高振动环境下,也能保证可靠和稳定的输出信号;重载PCB设计,允许更大的抗冲击和振动;光电Asic技术,高精度 & 码盘分辨率,正交相位、空气间隙、对称性和相位无需手动调整;轴承装配,减少跳动。此外,RI64在密封,电气隔离,机械设计等方面,也都进行了重大革新,以更便捷的安装方式,提供即插即用解决方案。
RI64光电增量轻载编码器订货说明
在订货时我们需要确认用户所购买的RI64光电增量轻载编码器的相关参数,以免给您造成不必要的损失。以下是订货时需要确认的一些参数,以及参数说明,供您参考选型。
|
型号
|
脉冲数
|
电源电压1,2
|
弹簧片
|
防护等级
|
轴安装
|
轴径
|
输出
|
连接
|
电缆长度
|
电缆端部插头4
|
|
□/
|
□
|
□
|
□
|
□
|
□
|
□
|
□
|
□
|
□
|
□
|
|
RI64
|
1000
1024
2000
3600
4096
|
A 5VDC
E 5-26VDC
|
O 无
V 63
W 81/64
P 56单侧
|
4 IP64
7 IP67
|
F 轴套型,
前夹紧环
H 通孔轴,后夹紧环
D 通孔轴,前夹紧环3
|
2 10mm
7 12mm
9 14mm
D 15mm
G 16mm
|
T1 TTL(RS422)
I2 推挽互补
|
B PVC电缆
|
B5 1.5m
A5 0.5m
D0 3m
F0 5m
K0 10m
P0 15m
U0 20m
V0 25m
|
O 无接头
I M23公插头,顺时针5
D M23公插头,逆时针6
|
1输出T,电源电压直流5V和直流5-26V都可选。
2输出I,仅电源电压B直流5-26V可选。
3轴安装选项D的轴不带陶瓷涂层,表面阳极氧化处理。
4应要求可提供其他的电缆插头(M12;MIL 7pin;MIL 12pin...)
5M23(Conin),12极,ccw,匹配连接器I的插头,订货号3 539 229
6M23(Conin),12极,cw,匹配连接器D的插头,订货号3 539 202
示例:RI64/2048BV4H7IBB5O