AD34光电绝对值电机反馈编码器
轻载编码器
独特的安装概念:节省安装 时间和成本
特殊的切口轴可实现一步安装,消除了轴联问题
高达19位精度的单圈绝对位置信息
-15°~+120°C的宽工作温度范围,覆盖大多数伺服电机应用场合
10000 rpm连续运行
正弦 1 Vpp
带宽 500kHz
反馈系统光电绝对值编码器 AD34 专为尺寸紧凑的伺服电机设计
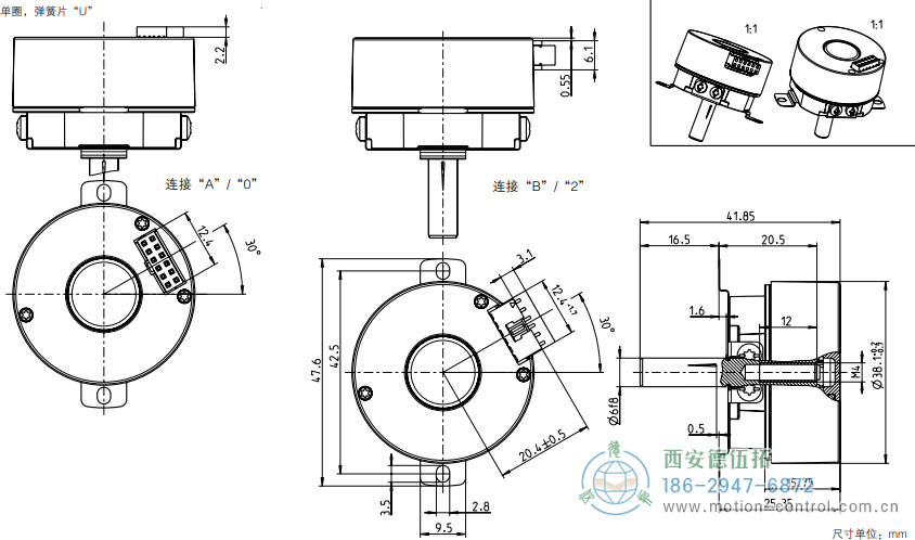
AD34是同类产品中结构最紧凑的绝对值编码器。单圈分辨率可达19位,多圈分辨率可达12位。机械设计包括两个滚珠轴承和一个弹性弹簧片。AD34补充了ACURO-DRIVE系列,并且非常适合应用于小框架尺寸的BLDC伺服电机中。轴上带凹的AD34便于安装,可缩短安装时间。
带凹口轴节省安装成本
由于AD34的创新的轴安装形式节省了安装在电机轴的工作。电机B面上钻一个普通的6mm孔就行了。AD34的带凹口轴一步就可以被插入到电机轴的B面中。
完全数字控制回路
新型的和完全数字 OptoAsic 技术确保跨到真正的数字驱动系统。传统的绝对值编码器还有模拟量正弦信号用于速度反馈和位置数据。然而AD34通过BiSS是市场上唯一的开放高速双向传感器接口。可通过SSI接口向前兼容大多数现有的驱动器,并且该接口可选每圈产生2048周期的正余弦信号。
集成的诊断系统
AD34有一个集成的诊断系统,它可以控制和调整内部信号。通过任何系统错误或在编码器的功能未受影响之前老化的预报警,可以最大限度的保证电机在线运行时间。代码的真实性检查保证输出数据户远指示真实的位置。另外工作温度能够被测量,并且以8位的分辨率读出。如果设置了极限参数,工作超过或低于设定值都可以通过警告和报警位指示。
AD34光电绝对值电机反馈编码器产品规格
外径:1.48"(37.5mm)
轴径或孔径:6mm
脉冲数或分辨率:单圈12-17位
防护等级:IP40
最高转速:12,000 RPM
AD34光电绝对值电机反馈编码器电气特性
供电电压:DC 5V -5%/+10%或 DC 7~30V
单圈分辨率:12~17 位
AD34光电绝对值电机反馈编码器机械特性
外壳直径:37.5mm (1.48”)
轴径:6mm (切口轴)
AD34光电绝对值电机反馈编码器环境特性
工作温度:-15°~+120°C